
厢式、板框式国产精品麻豆视频是悬浮液固、液两相分离的理想设备。该系列国产精品麻豆视频为板框式手动或千斤顶压紧机型。滤板尺寸315mm×280mm 至650mm×650mm,压紧方式:S 为手动螺杆型。J 为手动千斤顶型。机器结构简便,操作易行。该系列国产精品麻豆视频机型较小,压紧、卸料均为手动操作.国产精品麻豆视频有明流,暗流之分,它们各自又有滤饼的可洗式和不可洗式。该系列国产精品麻豆视频主要规格有:BAMSJ0.4~3/ 315-UBK-Ⅰ;
技术性能
过滤压力 | ≤0.6 MPa |
压紧力 | ≤33 KN |
压紧板行程 | ≤210 mm |
使用温度 | ≤100℃ |
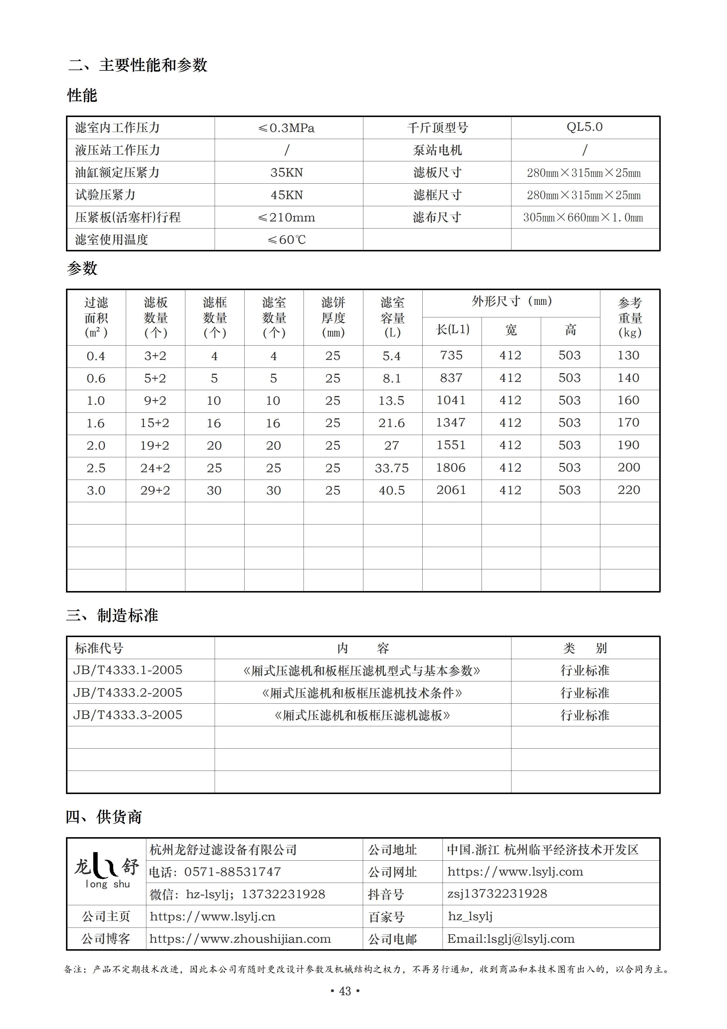
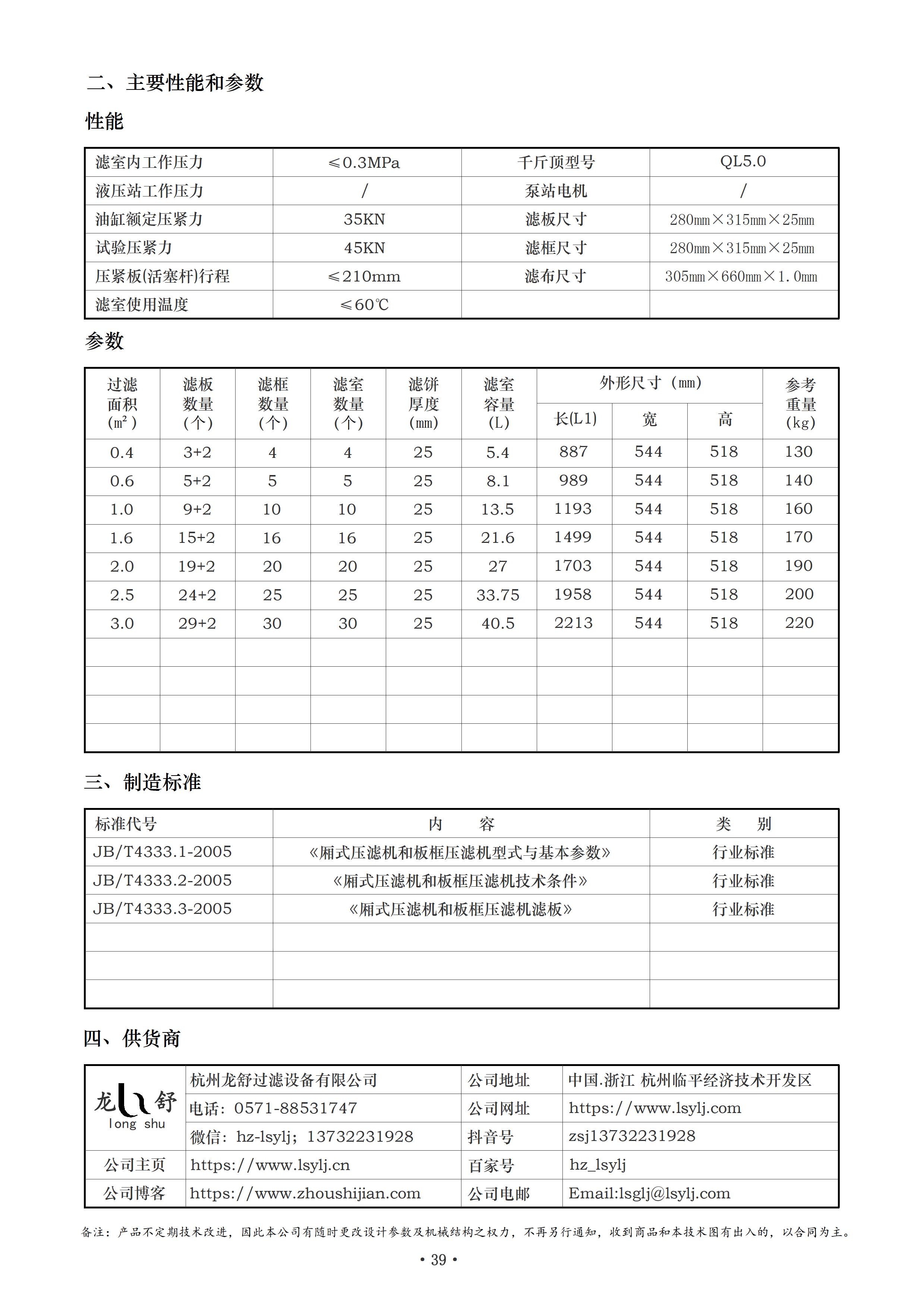
主要技术参数
过滤面积 m2 | 滤板数量 (块) | 滤室 数量 (个) | 滤饼 厚度 mm | 滤室 容积 L | 外形尺寸 mm | 机器 质量 t | 进料 管孔 直径 mm | 洗涤 出液 管孔 直径 | |||
滤框 | 滤板 | 长 | 宽 | 高 | |||||||
0.6 | 6 | 5 | 6 | 25 | 8 | 1003 | 564 | 492 | 0.17 | 25 | 25 |
1.0 | 10 | 9 | 10 | 13 | 1207 | 0.19 | |||||
1.6 | 16 | 15 | 16 | 21 | 1513 | 0.22 | |||||
2 | 20 | 19 | 20 | 26 | 1717 | 0.24 | |||||
2.5 | 25 | 24 | 25 | 33 | 1972 | 0.26 | |||||
3 | 30 | 29 | 30 | 39 | 2227 | 0.29 | |||||
基础尺寸
过滤面积(m2) | 尺寸L1(mm) | 过滤面积(m2)m2 | 尺寸L1(mm) |
0.6 | 731 | 2.0 | |
1.0 | 935 | 2.5 | 1700 |
1.6 | 1241 | 3.0 | 1955 |
BSJ0.4~3/ 315-UBK系列小型板框国产精品麻豆视频是一种常用于固液分离的设备,有如下特点:
板框结构:由滤板和滤框交替排列组成过滤室。滤板尺寸为315mm×280mm,这种规格适合处理小批量物料,比较适合实验室研究或中小型企业的生产需求。
压紧方式:属于手动压紧机型,“J”代表手动千斤顶型,通过手动操作千斤顶实现滤板的压紧,结构简便,不过压紧和卸料都需要人工操作,自动化程度相对较低。
过滤压力:≤0.6MPa,在这个压力范围内,能够有效实现固液分离,保证过滤效果。
压紧力:33KN,提供足够的压力使滤板紧密贴合,防止物料泄漏,确保过滤过程的顺利进行。
压紧板行程:210mm,该行程设计能满足一定厚度滤饼的形成和排出。
使用温度:60℃,说明该国产精品麻豆视频能够在较高温度环境下工作,但一般适用于不超过60℃的物料过滤。


过滤原理:滤板与滤框交替排列,滤框之间形成过滤室。物料进入后,通过滤板上的孔洞流入滤室,固体颗粒被截留在滤框上,而液体则透过滤板流出。加压后,固体被压缩并排出,实现固液分离。
操作流程:首先,将待过滤物料倒入国产精品麻豆视频中;接着,通过手动千斤顶将板框压紧,实现固液分离;然后,开启滤液排放阀门,将滤液排出;最后,松开板框,清理滤饼,重复上述步骤进行下一轮过滤。
应用领域:广泛应用于化工、食品、制药、环保等行业。在化工行业可用于处理各类悬浮液;食品行业可用于果汁、乳品等产品加工;制药行业可用于提取、纯化药物成分;环保行业可用于处理工业废水、污泥等。
设备优点:结构简单,操作易行,对于一些小型企业或实验室来说,不需要复杂的操作技能和专业人员即可进行操作。同时,它能够实现较高的过滤精度,特殊设计的滤布可截留粒径小于1μm的粒子,使滤液清澈,固体回收率高,能满足不同用户对固液分离效果的要求。
设备缺点:属于间歇操作设备,基建设备投资较大,过滤能力相对较低,处理大批量物料时效率可能不如一些大型自动化压滤设备。






声明一下:本网站上展示的产品仅用于工业上的污水固、液分离,由于产品的专业性和专用性,每件商品的具体性能和使用方法均不尽相同,页面上的描述仅供参考,并不适用于每个具体商品,您在决定购买之前,务必事前(老板电话13732231928)沟通。谢谢您的理解和支持!(本站仅用于产品展示,不接受线上交易)

